
| Easy-to-read dial | Improved visibility | |
|
- Glare-free flat crystal face allows easy reading ofgraduations.
|
- Using universal fonts,changing dial face color and reviewing the relationship between pointer and scale marks have drastically improved visibility.
|
|
| Attachable limit hands | Contact point length is marked on the dial face | |
|
- Limit hands (optional) can be attached to the bezel the same as for dial indicators,allowing easy identification of the upper and lower limits of tolerance.
|
- As the length of the contact point fitted affects the indicator’s scale factor 5 the length that gives a scale factor of unity is marked on the dial face to assist a customer when ordering the correct replacement contact point.
|
|
| No bezel detachment | Inspection certificate attached | |
|
- A flange prevents the bezel from unintentional removal due to applying a force to the bezel during handling.
|
- A "Certificate of Inspection" is provided with Dial Test Indicators.
|
|
| Improved contact point bearing gives smoother tracking | Extended contact point length for 0.001 mm, 0.002 mm, and 0.0001 in graduation models | |
|
- The conventional method of mounting the contact point pivot bearing screw in the frame is prone to allowing looseness to develop with prolonged use. A unique sub-plate structure to house this screw has now been incorporated in all models and eliminates this issue.
|
- Longer contact points have been introduced on the most sensitive indicators to make probing those features of a workpiece that are difficult to access more user-friendly.
|
|
| Naming of parts | A choice of dial position | |
![]() |
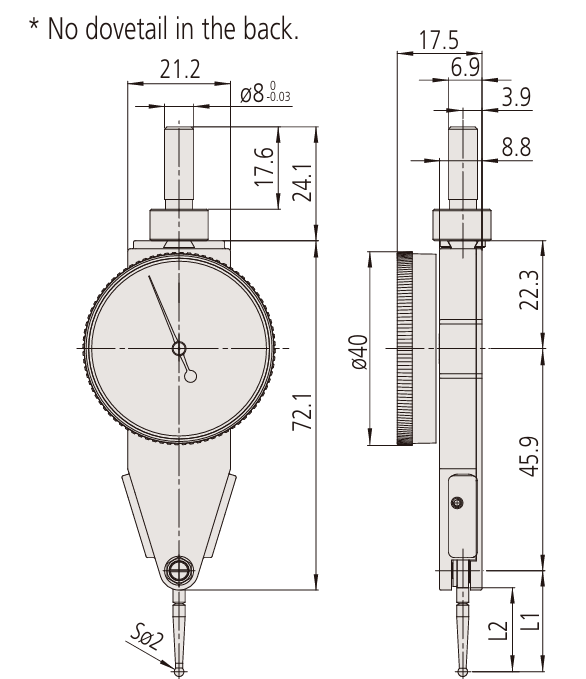
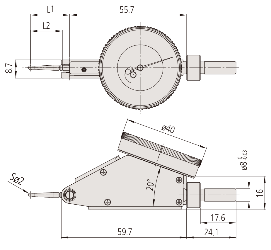
Our product lineup offers four models, each with a different orientation of the dial on the frame to allow best visibility of the dial face in any specific situation.
|
|
| Ruby ball-tipped contact point added to lineup | ||
| - A ruby tip has resistance to wear several times greater than a carbide tip and, since it is nonconductive, it can be used with safety even on an electrical discharge machine. |
| Improved visibility | Attachable limit hands | |
|
- Using universal fonts, changing dial face color and reviewing the relationship between pointer and scale marks have drastically improved visibility.
|
- Limit hands (optional) can be attached to the bezel the same as for dial indicators, allowing easy identification of the upper and lower limits of tolerance.
|
|
| Contact point length is marked on the dial face | Easy-to-read dial | |
|
- As the length of the contact point fitted affects the indicator’s scale factor the length that gives a scale factor of unity is marked on the dial face to assist a customer when ordering the correct replacement contact point.
|
- Glare-free flat crystal face allows easy reading of graduations. ![]() |
|
| Inspection certificate attached | Clutch type (with a clutch lever) | |
|
- A "Certificate of Inspection" is provided with Pocket Type Dial Test Indicators.
|
- There are two types of Mitutoyo Dial Test Indicator: The non-clutch type (without a clutch lever) and the clutch type (with a clutch lever)
|
|
| Integrated bezel and crystal structure | Improved insertion depth | |
|
- Bonding the bezel and crystal together leaves no gap for cutting fluid or oil to penetrate through to the dial face.
|
- Slim body can reach a shallow and deep space to be measured.
|

![]() |
![]() |
![]() |
![]() |
![]() |